A multi-actuator pneumatic system may use many logic functions in its associated controller for obtaining a sequence of work operations. The sequential steps can easily be realized in a modular fashion using step modules. A step module is a unit designed as per the functional requirements of each step of the control sequence.
As you are aware, each step in the control sequence of the controller has a similar logic structure except for the last step in the sequence. Accordingly, two (or more) types of modules are available in the market. They are (1) the basic step module and (2) the module for the last step.
A step module generates an output signal in response to a sensor signal representing the completion of some work operation and a representative signal from the previous module. The output signal of each module controls the operation of the associated actuator. Several modules can be integrated to obtain sequential output signals to control the system actuators in response to input signals from the system.
Step Modules
The basic step module consists of a 3/2-way valve (memory valve), 3/2-way single pilot valve (AND element), and OR element as shown in Figure 1(a). The step module for the last group also consists of similar components, but has a different layout, as shown in Figure 1(b). The pressure connection is given at the input P.

Figure 1 | Step modules
The memory valve in this step is set with a signal (Yn) which is directly available from the Yn+1 of the previous stage in the sequence. An output signal (A) is then generated for the control of the associated actuator in the step. The output signal is also used to reset the memory valve of the previous stage through the port Zn.
The motion of the actuator then causes the relevant sensor to sense. The sensor directs the sensor signal (X) to the pilot port of the AND element and causes its actuation. This actuation causes the generation of the signal Yn+1 and that sets the memory valve of the next step. The memory valve of the present stage is reset by the output of the memory valve of the succeeding stage through the port Zn+1.
Initialization of the step module is carried out by applying a signal at the port marked as ‘Initialization’. In the basic step module, an OR element is used to reset the memory valve of the step module using signal Zn+1 or the signal of the initialization process, as shown in Figure 1(a).
In the step module for the last group, an OR element is used to set the memory valve of the step module using signal Yn or the signal of the initialization process, as shown in Figure 1(b).
Stepper Sequencer
The step module is the fundamental element in the sequencer. The sequencer must consist of as many modules as there are steps in the cycle. These modules are connected one after another. The modular sequencer provides control to each step of the machine operation and receives the corresponding feedback signal.
Circuit Design for a Stamping System
Control Task 1 | Stamping System
The stamping operation uses a job positioning cylinder 1A and a stamping cylinder 2A. The job positioning cylinder extends and brings a job (work-piece) under the stamping cylinder. The cylinder 2A, then, extends and stamps the job. The cylinder 1A can return only after the cylinder 2A has retracted fully. A pneumatic control circuit has to be developed for realizing this control task using a stepper sequencer.
Solution
The notational form of representation of the control task is given in Figure 2.

Figure 2 | Notational form of representation of the problem in the control task 1

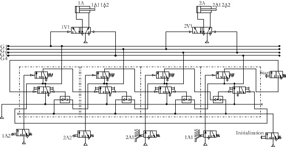
Figure 3 | A circuit for the control task 1 using a stepper sequencer
By
Joji Parambath
Author / Trainer
Note:
A detailed explanation of the stepper sequencer concepts with circuits in multiple positions is given in the book ‘Pneumatic Systems and Circuits -Advanced Level’ (Paperback/hardcover/Kindle eBook versions) authored by Joji Parambath and published through the Kindle Direct Publishing.
Many books (37 Nos) on Pneumatics and Hydraulics in paperbacks, hardcover, and Kindle eBook formats authored by Joji Parambath are published through the Kindle Direct Publishing platform for systematic and quick understanding of the subject of Pneumatics and Hydraulics.

Pneumatic Systems and Circuits -Advanced Level
Joji Parambath
The book explains the development of multiple-actuator circuits using cascade and shift register methods.

Pneumatic Systems and Circuits -Basic Level (in the SI Units)
Joji Parambath
The book describes the topics of compressed air generation and contamination control, pneumatic actuators, and control valves, in detail, in the SI system of units respectively.
Many single-actuator control circuits are presented. Further, the book presents the maintenance, troubleshooting, and safety aspects of pneumatic systems.

Industrial Pneumatics – Basic Level (in the English Units)
Joji Parambath
The book describes the topics of compressed air generation and contamination control, pneumatic actuators, and control valves, in detail, in the English system of units respectively.
Many single-actuator control circuits are presented. Further, the book presents the maintenance, troubleshooting, and safety aspects of pneumatic systems.

Design of Pneumatic Systems (In the SI units)
Design Concepts in Pneumatic Systems (In the English Units)
Joji Parambath
Are you looking for a course on Pneumatics and Hydraulics?
Please visit Fluidsys Training Centre Pvt. Ltd., Bangalore, India. https://fluidsys.in
