An electro-pneumatic system, in general, consists of an electrical or electronic control part controlling the pneumatic power part of the system. Integrating the power density of pneumatic systems with the controlling possibilities of the electric systems opens up a new world of opportunities for the high-performing pneumatic systems. In this hybrid technology, solenoid valves are used as interfaces between the control part and the power part. A conventional solenoid valve acts as a converter that generates pneumatic outputs in response to electrical input signals. Control and feedback elements like pushbuttons (PBs), relays, sensors, and timers are used in the electro-pneumatic systems for obtaining the desired control.
A well-written book entitled ‘Electro-pneumatics and Automation’ authored by Joji Parambath in the paperback and Kindle versions are available for the study of electro-pneumatics and automation. I am hopeful that a high level of competence in developing electro-pneumatic circuits can be achieved with the help of the book.

Paperback and Kindle eBook on
‘Electro-pneumatics and Automation’
JOJI Parambath
For more details, please visit:
Happy reading!!
This book explains the functioning of solenoid valves and various electrical control components such as relays, pushbuttons, limit switches, proximity sensors, timers, counters, pressure switches. Many typical single-actuator and multiple-actuator electro-pneumatic circuits are also developed to illustrate various applications of electro-pneumatics. The development of electro-pneumatic circuits is explained systematically with progression from simple to complex levels. Some typical circuits which are well-covered in the book are briefly indicated here.
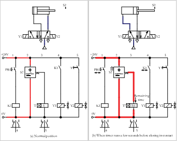
Control of a Double-acting Cylinder Using an Electronic Timer
A double-acting cylinder is to extend when a pushbutton is pressed (short pulse). It is to remain in the extended position for 5 seconds and then to return automatically. The final forward position of the cylinder is registered with a proximity sensor S2. A 5/2-DC double-solenoid valve is used as the final control element. Develop an electro-pneumatic control circuit to implement the control task.

Design for a two-group Electro-pneumatic Multiple-actuator Circuit
In the development of a simple two-group electro-pneumatic circuit, it is necessary to divide the power supply into two groups in such a way that at any point of time, only one group is live with the other group switched off. A two-group circuit can efficiently be designed using a single relay. The structure of a group-changing cascade circuit for two groups (say G1 and G2) using a relay is given in the Figure below.

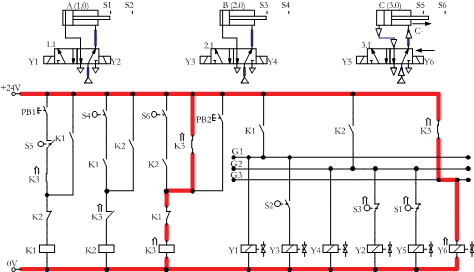
Control of a Pneumatically-controlled drilling machine
Work-pieces are to be drilled using a pneumatically-controlled drilling machine given in Figure 4.10. The work-pieces are arranged in a gravity feed magazine. The work-pieces are pushed and clamped using a clamping cylinder A, drilled by a drilling cylinder B, and ejected by an ejecting cylinder C. Develop an electro-pneumatic control circuit to implement the control task as given in the associated displacement-step diagram.

Figure | Pneumatically-controlled drilling machine

Joji Parambath
Director
Fluidsys Training Centre Pvt Ltd
Bangalore, India