
Electro-pneumatics and Automation
Authored by Joji Parambath
This book explains the functioning of single and double solenoid valves and various electrical control components such as pushbuttons, electro-magnetic releys, limit switches, reed switches, proximity sensors, timers, preset counters, and pressure switches. Many typical single-actuator and complex multiple-actuator electro-pneumatic circuits are also developed to illustrate various applications of electro-pneumatics.
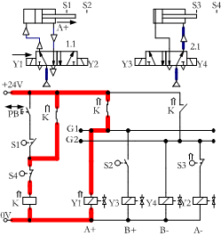
Control Task: Cylinder A extends and brings a job under the stamping cylinder B. Cylinder B then extends and stamps the job. Cylinder A can return only after cylinder B has retracted fully. An electro-pneumatic control circuit has to be developed for realizing the control task.
Control task in Notational Form

Figure (a) | Notational form of representation of the pneumatically-controlled stamping device
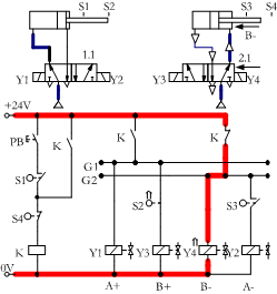
[Note: The electro-pneumatic circuits below are extracted from the textbook on ‘Electro-pneumatics and Automation’ authored by Joji Parambath. For the explanation of solution in cascade method for this control task and more complicated electro-pneumatic circuits, please refer to the textbook.]
Circuit position for A+

Circuit position for B+

Circuit Position for B-

Circuit Position for A-

Joji Parambath
Trainer / Author
Fluidsys Training Centre Pvt Ltd
Bangalore, India
For details of more books from the same author, please visit: https://jojibooks.com